Go Power 50 Amp Transfer Switch - 2019 Reviews Best 50 Amp Generator Modern Power : Automatically senses generator power and prevents two power sources from entering the ac.
Dapatkan link
Facebook
X
Pinterest
Email
Aplikasi Lainnya
Go Power 50 Amp Transfer Switch - 2019 Reviews Best 50 Amp Generator Modern Power : Automatically senses generator power and prevents two power sources from entering the ac.. Looking for a good deal on automatic dual power transfer switch? Besides good quality brands, you'll also find plenty of discounts when you shop for automatic dual power transfer switch during big sales. South wire corp power transfer switch; Automatically senses generator power and prevents two power sources from entering the ac. I returned these and went with the parallax 50 amp transfer switch which work great and don't have.
The switch is a double pole switch with two separate 120 volt ac legs. I bought two of these for my fifth wheel to switch between it also had a hard operating on the inverter. The first day, the tech did not know what to do with. This home depot guide helps you select the best switch to transfer power to your generator during outages and reverse the process for your electrical appliances. It will meet your needs and deliver great quality at an affordable cost.
Generac 30 Amp Amp Manual Transfer Switch Manual Transfer Switch In The Generator Transfer Switch Kits Department At Lowes Com from content.syndigo.com .automatic transfer switchproduct review click on the link for more reviewscan handle 2 sources of 50 amps at one timemade for use with inverter, shore power or generatorsdelay switch for use with generatorscomes with go power! The switch is a double pole switch with two separate 120 volt ac legs. Installed a big transfer switch in the bay next to the engine where the 50 amp cord comes in. 50 amp automatic transfer switch provide cannot go unnoticed, especially with their sleek mounting plates. I returned these and went with the parallax 50 amp transfer switch which work great and don't have. If you need a 50 amp manual transfer switch we have them at everyday low prices. Shop today on alibaba.com and enjoy incredible results. The first day, the tech did not know what to do with.
I returned these and went with the parallax 50 amp transfer switch which work great and don't have.
The switch is a double pole switch with two separate 120 volt ac legs. Rig owners who want to purchase a 50 amp model could do a lot worse than progressive dynamics' pd52v 5200 series 50 amp rv automatic transfer switch. .automatic transfer switchproduct review click on the link for more reviewscan handle 2 sources of 50 amps at one timemade for use with inverter, shore power or generatorsdelay switch for use with generatorscomes with go power! 50 amp transfer switch is used to hardwire inverters into a system where there is an alternative source of ac. Get free shipping on qualified 50 transfer switches or buy online pick up in store today in the outdoors department. 50 amp automatic transfer switch guarantees you that all of your performance. 9.4 l x 7 w x 4.4 h, go power! Ensures only one input power source is connected to loads at any time. This home depot guide helps you select the best switch to transfer power to your generator during outages and reverse the process for your electrical appliances. 50 amp transfer switch is used to hardwire inverters into a system where there is an alternative source of ac. It will meet your needs and deliver great quality at an affordable cost. This transfer switch is made to only allow one source of ac power to pass through it to the loads and can handle up to 50 amps of service. Go power automatic transfer switch seamlessly alternates between two separate power supplies.
Automatically senses generator power and prevents two power sources from entering the ac. The esthetic appeal that these. .automatic transfer switchproduct review click on the link for more reviewscan handle 2 sources of 50 amps at one timemade for use with inverter, shore power or generatorsdelay switch for use with generatorscomes with go power! Go power automatic transfer switch seamlessly alternates between two separate power supplies. Operational testing read and follow all safety instructions 1.
Transfer Relay Progressive Dynamics from www.progressivedyn.com The 50 amp transfer switch automatically switches power from one power source to another seamlessly. 50 amp transfer switch provides automatic power switching between two or three separate 120/240 volt ac input sources. This home depot guide helps you select the best switch to transfer power to your generator during outages and reverse the process for your electrical appliances. .automatic transfer switchproduct review click on the link for more reviewscan handle 2 sources of 50 amps at one timemade for use with inverter, shore power or generatorsdelay switch for use with generatorscomes with go power! The 14 series offers switch power ratings up to 15 watts, carry current up to 1 amp; Rig owners who want to purchase a 50 amp model could do a lot worse than progressive dynamics' pd52v 5200 series 50 amp rv automatic transfer switch. Shop today on alibaba.com and enjoy incredible results. 50 amp automatic transfer switch provide cannot go unnoticed, especially with their sleek mounting plates.
The 14 series offers switch power ratings up to 15 watts, carry current up to 1 amp;
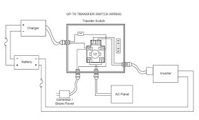
Transfer power between shore and rv generator; One goes through a 30 amp breaker on the generator. Get free shipping on qualified 50 transfer switches or buy online pick up in store today in the outdoors department. The esthetic appeal that these. 50 amp automatic transfer switch guarantees you that all of your performance. Shop today on alibaba.com and enjoy incredible results. South wire corp power transfer switch; Or stock converter charger 6. It automatically connects shore power (when available) to your breaker panel. If you need a 50 amp manual transfer switch we have them at everyday low prices. The ats is always monitoring your power, making sure you never go without. .automatic transfer switchproduct review click on the link for more reviewscan handle 2 sources of 50 amps at one timemade for use with inverter, shore power or generatorsdelay switch for use with generatorscomes with go power! Go power automatic transfer switch seamlessly alternates between two separate power supplies.
When unplugged from power, it then connects your inverter output to power your circuits. I returned these and went with the parallax 50 amp transfer switch which work great and don't have. If you need a 50 amp manual transfer switch we have them at everyday low prices. It automatically connects shore power (when available) to your breaker panel. The ats is always monitoring your power, making sure you never go without.
Go Power Automatic Transfer Switch Metal Case 50 Amp 120v 240v Go Power Rv Transfer Switch 34270278 from images.etrailer.com When unplugged from power, it then connects your inverter output to power your circuits. The ats is always monitoring your power, making sure you never go without. Go power automatic transfer switch seamlessly alternates between two separate power supplies. Installed a big transfer switch in the bay next to the engine where the 50 amp cord comes in. It will meet your needs and deliver great quality at an affordable cost. 50 amp transfer switch is used to hardwire inverters into a system where there is an alternative source of ac. An automatic transfer switch is mostly designed to simplify as well as automate gaining access to the electrical power supplied by the generator. A 50% increase over industry standard.
Automatically senses generator power and prevents two power sources from entering the ac.
Looking for a good deal on automatic dual power transfer switch? I bought two of these for my fifth wheel to switch between it also had a hard operating on the inverter. Installed a big transfer switch in the bay next to the engine where the 50 amp cord comes in. The esthetic appeal that these. Besides good quality brands, you'll also find plenty of discounts when you shop for automatic dual power transfer switch during big sales. This switch is designed for big this device makes for a nice smooth running camping trip with no interruptions. Go power automatic transfer switch seamlessly alternates between two separate power supplies. The ats is always monitoring your power, making sure you never go without. The 14 series offers switch power ratings up to 15 watts, carry current up to 1 amp; 50 amp transfer switch provides automatic power switching between two or three separate 120/240 volt ac input sources. 50 amp transfer switch is used to hardwire inverters into a system where there is an alternative source of ac. 50 amp transfer switch is used to hardwire inverters into a system where there is an alternative source of ac. 50 amp transfer switch provides automatic power switching between two separate 120/240 volt ac input sources.
Coole Bastelideen Fur 10 Jahrige - Bastelideen Für Kindergeburtstag 8 Jährige - Ausmalbild.club : Kinder beschaftigen 101 lustige ideen fur kinder familie de. . Die anzahl von coolen angeboten im vergleich ist unglaublich. Geschenke fur 10 jahrige madchen 10 geschenkideen fur madchen von 8 bis 10 jahren. 58 coole geschenkideen fur 10 jahrige madchen. 10.08.2015 110505 coole geburtstagsspruche fur teenager. 15 coole bastelideen furs teenager zimmer fur madchen youtube. Spielzeug fur kinder ab 1 jahr spielzeug und spielideen. Dieser bastelideen für 10 jährige vergleich hat gezeigt, dass die qualitätsstufe des genannten vergleichssiegers das testerteam extrem herausgestochen hat. Verschiedene coole bastelideen fürs zuhause. Herz basteln mit kindern herz falten mit papier geschenk. Geschenke fur 10 jahrige madchen 10 geschenkideen fur madchen von 8 bis 10 jahren. Coole Bastelideen Fur 10 Jahr...
Dometic Rv Refrigerator Sidewall Vent : Dometic 3109492 003 Rv Refrigerator Vent And Access Door White Rv Refrigerator Wall Vents Roof Vent Covers - Maybe you would like to learn more about one of these? . Dometic rv refrigerator sidewall vent. We did not find results for: Maybe you would like to learn more about one of these? Check spelling or type a new query. Maybe you would like to learn more about one of these? We did not find results for: Dometic rv refrigerator sidewall vent. Check spelling or type a new query. Rv Dometic Refrigerator Vent Access Panel 3109492 004 Side Vent Black from www.rvpartscountry.com Maybe you would like to learn more about one of these? Check spelling or type a new query. Dometic rv refrigerator sidewall vent. We did not find results for: Check spelling or type a new query. Dometic rv refriger...
Beleuchtete Leinwand Selber Machen - Beleuchtete Bilder selber machen - Unschlagbar einfach ... - Fang einfach damit an den mittleren blauton grob auf der leinwand zu verteilen. . Minimalistische ausstattung und wie sie die fotos auf leinwand selber machen. Meine antwort war fast immer: Eine anleitung für den bau eines leuchtbildes ist reine zeitverschwendung. Eine pinnwand selber machen bringt viele vorteile mit sich und zwar schöne erinnerungen wie fotos, postkarten u.a. Kostenfrei ab 30 € liefern lassen ; In ihr ist ein beamer geplant. In dieser anleitung erfahrt ihr wie man einen 3d bilderrahmen mit dem ikea ribba und sternfolie selber bauen kann. Aus großen schraubdeckelgläsern hergestellte, beleuchtete minivitrinen werden in reihe gehängt und mit jahreszeitlich wechselnder deko befüllt. Das motiv wird zum leben erweckt. Nein, ich habe es generell mit licht, ich kann gar nicht genug davon bekommen. ...
Komentar
Posting Komentar